pk游戏网:安全、高速、放心的软件下载!
软件提交 专题合集 热门手游

本地下载文件大小:2.20MB
高速下载需优先下载高速下载器
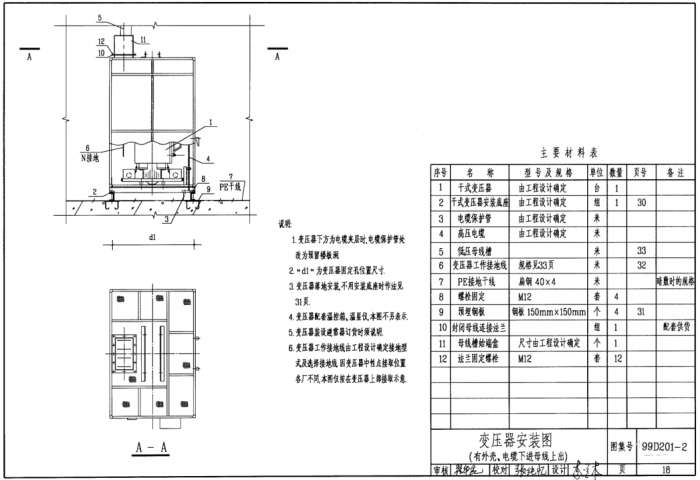
99d201-2干式变压器安装图集pdf 2.20 MB
L13J3-3加气混凝土砌块墙图集 17.29 MB
笔神pc版 61.50 MB
vikon文本编辑软件 2.15 MB
lucida console字体 413.00 MB
圆形截面构件钢筋网片计算工具电脑版 11.00 MB
百度一键刷机工具软件(百度云os) 24.20 MB
miui一键刷机工具 13.29 MB
魔方公式转换器中文版 2.24 MB
l04g401预制混凝土空心板图集 2.40 MB瑜伽健身app软件为用户提供了海量的瑜伽在线学习视频,帮助用户快速学习瑜伽,塑造完美身形,培养人的气质。保健瑜伽养生app,让你从此远离亚健康状态。瑜伽app哪款好用?下面小编就为您推荐一些免费的瑜伽学习软件。希望大家喜欢!更多精彩尽在pk1xia!
中秋、国庆双节齐来,放假去哪儿玩好?不少朋友问假期有什么旅游app软件推荐,pk1xia网小编早已为大家准备好了假期精选套餐,不管你是宅在家、还是出游游玩、还是苦逼的加班,这里有你想要找的关于旅游的app软件。
赛车类游戏是实现车迷朋友体验赛车梦、赛车游戏承载着人类对速度与激情的渴求,让风驰电掣的竞速比赛与华丽精湛的技巧表演成为每个人皆可触及的舞台。接下来就给大家推荐几款好玩的赛车类游戏,一起来下载体验吧。
点击离线赛车游戏(Car Clicker)v1.3 | 14.00 MBpk网好玩的手游排行榜为您提供最好玩耐玩的手游免费资源下载,更新十大最好玩的游戏排行榜推荐。最火最热门的手游排行榜资源,尽在pk游戏好玩的手游排行榜专区。

Copyright © 2012-2025 langlangxz.Com. All Rights Reserved . 皖ICP备18019954号-7
pk游戏网是一家专为广大网友及游戏玩家打造的绿色软件综合下载站,它集合了办公、行业、游戏、系统、手机等上万种软件,并提供详细的软件介绍与下载服务。